Casa > Prodotti > Noce > Dado esagonale > Dado esagonale ad alta resistenza
        Dado esagonale ad alta resistenza
        • Dado esagonale ad alta resistenzaDado esagonale ad alta resistenza
        • Dado esagonale ad alta resistenzaDado esagonale ad alta resistenza
        • Dado esagonale ad alta resistenzaDado esagonale ad alta resistenza

        Dado esagonale ad alta resistenza

        I dadi esagonali ad alta resistenza possono essere utilizzati in ambienti in cui non è possibile utilizzare dadi standard. L'altezza dei dadi di tipo 2 è superiore di circa il 10% rispetto a quella di tipo 1. Quando acquisti da Xiaoguo®, ti garantiamo di fornirti prodotti di alta qualità che soddisfano le tue esigenze di fissaggio.
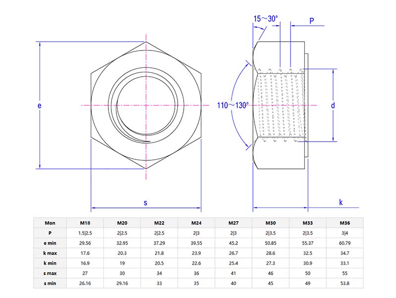
        Modello:GB/T 33943-2017

        Invia richiesta

        Descrizione del prodotto


        Dado esagonale ad alta resistenzaè più spesso e resistente del Tipo 1 e la capacità di carico è superiore a quella del Tipo 1, rendendoli adatti a carichi pesanti o scenari con requisiti elevati. Il Tipo 1 è adatto per lavori leggeri, mentre il Tipo 2 è adatto a macchinari pesanti o carichi strutturali. Tuttavia, il Tipo 2 è più costoso e più pesante.

        Il dado esagonale a smusso singolo di tipo 2 è un dado esagonale relativamente economico che non richiede trattamento termico. I dadi di tipo 2 vengono utilizzati principalmente in applicazioni in cui sono spesso richiesti il ​​montaggio e lo smontaggio, come nel settore aerospaziale, automobilistico, edile, dei macchinari e altre applicazioni che richiedono connettori relativamente robusti.


        Dettagli e parametri del prodotto

        Type 2 Single Chamfered Hexagon Nut


        Il dado esagonale singolo smussato di tipo 2 è installato su telai di camion, sistemi di nastri trasportatori o attrezzature agricole. Possono sopportare una coppia maggiore, evitando che il dado si strappi, e lo smusso aiuta ad allineare rapidamente il bullone. Sono troppo ingombranti per scaffali o mobili di base.

        Quando si sceglie il dado esagonale smussato singolo di tipo 2, è necessario considerare innanzitutto la dimensione del bullone. Far corrispondere il diametro della filettatura (ad esempio M12, ¾ ") e il passo (filettatura grossa o fine). La smussatura aggiungerà un piccolo angolo su un lato della filettatura. Durante il serraggio, evitare di avvitare erroneamente le filettature. Non mescolare filettature metriche e imperiali, poiché ciò danneggerebbe le filettature.

        ILdado esagonale ad alta resistenzapuò guidare i bulloni più rapidamente, riducendo così i tempi di fermo dell'attrezzatura nella produzione di massa. I dadi zincati a caldo sono adatti per l'uso esterno, ma dovrebbero essere evitati in ambienti corrosivi dove il rivestimento potrebbe usurarsi. Non riutilizzare i dadi su apparecchiature dismesse.


        Type 2 Single Chamfered Hexagon Nut

        Suggerimenti per l'installazione

        Durante l'installazione didado esagonale ad alta resistenza, lo smusso è rivolto verso il bullone per rendere più agevole la connessione filettata. Utilizzare una chiave dinamometrica per serrarlo. Fare attenzione che un serraggio eccessivo potrebbe danneggiare il bullone. Si consiglia di utilizzare in combinazione bulloni di alta qualità (con lo stesso grado di resistenza) e rondelle temprate.

        Tag caldi: Dado esagonale ad alta resistenza, Cina, produttore, fornitore, fabbrica
        Categoria correlata
        Invia richiesta
        Non esitate a dare la vostra richiesta nel modulo sottostante. Ti risponderemo entro 24 ore.
        X
        Utilizziamo i cookie per offrirti una migliore esperienza di navigazione, analizzare il traffico del sito e personalizzare i contenuti. Utilizzando questo sito, accetti il ​​nostro utilizzo dei cookie. politica sulla riservatezza
        Rifiutare Accettare