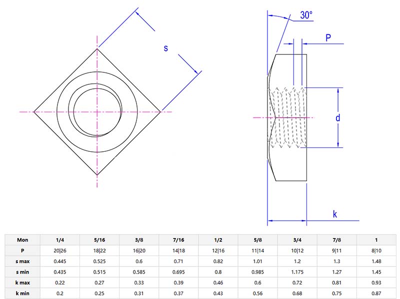
ILNu quadrata finita grossolanatè un dispositivo di fissaggio di base, senza fronzoli con fili grandi (pitch grosso) e una forma quadrata. La sua finitura superficiale ruvida, spesso rivestita di ossido di zinco o nero, resiste alla ruggine e gestisce lavori difficili.

Se è necessario utilizzare i bulloni in ambienti difficili, puoi sceglieredado quadrato finito grossolano. La sua superficie grezza è anche migliore in ambienti sporchi o grassi, riducendo lo slittamento durante il serraggio. Il dado quadrato può essere bloccato in posizione con una chiave o una pinza. È adatto per macchinari, attrezzature agricole o costruzione. Nessun rivestimento di fantasia, solo acciaio di base, facile da gestire un uso elevato.
I meccanici che fissano vecchi camion o trattori usano spesso ildado quadrato finito grossolanoper bulloni arrugginiti o usurati. La superficie ruvida si adatta a fili danneggiati meglio dei dadi lucidati e la forma quadrata non si arrotonderà sotto una coppia pesante. Ottimo per i sistemi di scarico, le riparazioni del telaio o qualsiasi cosa esposta a grasso e sporcizia. Basta accenderlo e continuare a lavorare.
Quando gli agricoltori riparano aratri o attrezzature per irrigazione, usano spesso ildado quadrato finito grossolanoPerché è facile da usare. La superficie ruvida può trattare efficacemente lo sporco e lo sporco per prevenire l'intasamento. I dadi quadrati possono essere fissati in spazi ristretti. Anche con i guanti, può essere facilmente installato utilizzando solo strumenti di base. Ideale per riparazioni rapide senza tempi di inattività.

| Mercato |
Entrate totali (%) |
| America del Nord |
15 |
| Sud America |
10 |
| Europa orientale |
12 |
| Sud -est asiatico |
10 |
| Medio est |
7 |
| Asia orientale |
17 |
| Europa occidentale |
15 |
| Asia meridionale |
6 |
| Mercato interno |
8 |
Dado quadrato finito grossolanoha bassi costi di manutenzione. Controlla se il filo è arrugginito o cade durante l'uso. Se il rivestimento è indossato, sostituirlo. Se il dado si trova in un ambiente sale, ingrassare il filo. Evita eccessivamente. I fili spessi cadono più facilmente di quelli fini.