Casa > Prodotti > Dadi di saldatura > Vite di saldatura > Vite Di Saldatura Con Filettatura Metrica
        Vite Di Saldatura Con Filettatura Metrica
        • Vite Di Saldatura Con Filettatura MetricaVite Di Saldatura Con Filettatura Metrica
        • Vite Di Saldatura Con Filettatura MetricaVite Di Saldatura Con Filettatura Metrica
        • Vite Di Saldatura Con Filettatura MetricaVite Di Saldatura Con Filettatura Metrica

        Vite Di Saldatura Con Filettatura Metrica

        La vite di saldatura con filettatura metrica viene utilizzata per saldare alla superficie metallica, quindi le filettature metriche vengono utilizzate per collegare altri componenti. L'azienda Xiaoguo® dispone di un inventario sufficiente di merci in magazzino. Sono adatti per la produzione di metalli, pannelli automobilistici o telai industriali.
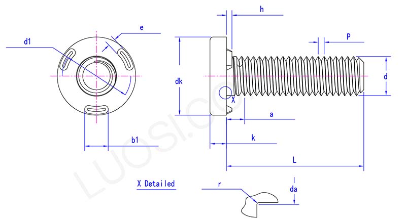
        Modello:DIN 34817-2001

        Invia richiesta

        Descrizione del prodotto

        Lun
        M5 M6 M8 M10 M12 M14
        P
        0.8 1 1.25 1.5 1.5 1.5
        un massimo
        2.4 2.8 3.7 4.4 4.6 4.6
        non so massimo
        10 12 16 20 24 28
        non so min
        9.64 11.57 15.57 19.48 23.48 27.48
        d1 minuto
        7.85 9.75 13.25 17.15 21.15 25.20
        d1 massimo
        8.21 10.11 13.68 17.58 21.67 25.72
        hmassimo
        0.8 0.8 1.2 1.4 1.6 1.6
        h min
        0.7 0.7 1.1 1.3 1.5 1.5
        kmassimo
        2.2 2.7 3.2 4.2 5 5.8
        kmin
        1.8 2.3 2.8 3.8 4.6 5.4
        r min
        0.1 0.15 0.15 0.15 0.15 0.2
        emassimo
        1.7 1.7 2.2 2.2 2.2 2.7
        e min
        1.3 1.3 1.8 1.8 1.8 2.3
        b1 massimo
        3.9 4.4 5.9 7.9 9.4 11.5
        b1 minuto
        3.1 3.6 5.1 7.1 8.6 10.5
        al massimo
        5.3 6.4 8.4 10.5 13 15

        La vite di saldatura con filettatura metrica viene fissata al pezzo mediante saldatura. Questo tipo di vite è disponibile sia nella versione con testa che senza testa. In base alla filettatura, può essere ulteriormente classificata in viti saldate con filettatura esterna e viti saldate con filettatura interna. Le specifiche vanno generalmente da M5 a M14.

        Weld screw with metric thread parameter

        Può essere utilizzato in

        Le viti di saldatura con filettatura metrica vengono utilizzate per riparare le staffe di scarico. Seil bullonei fori della staffa di scarico sono usurati, possono essere riparati utilizzandoli. Pulisci i punti di saldatura a punti sul telaio, installa le viti ed esegui la saldatura a punti attraverso i fori sulle rondelle. Stringere la staffa con i bulloni. Ci vogliono solo 3 minuti e non è necessario riforare o maschiare. Può sopportare le vibrazioni della strada senza allentarsi.

        La vite di saldatura con filettatura metrica viene utilizzata per aggiornare le staffe del trasportatore. Se è necessario aggiungere sensori al trasportatore esistente, utilizzarli per installare rapidamente le staffe. Saldare le viti M8 alle guide del telaio richieste. Non è necessario praticare fori nelle strutture chiave. La staffa del sensore viene fissata direttamente alla nuova filettatura mediante bulloni. Risparmia il tempo necessario per il ricablaggio durante la ristrutturazione e l'installazione.

        Le viti di saldatura vengono utilizzate per l'installazione delle tubazioni idrauliche. Se è necessario fissare la fascetta stringitubo idraulica sull'attrezzatura, il loro utilizzo può evitare scosse. Saldare le viti M6 lungo il telaio ogni 18 pollici. La staffa di fissaggio è fissata direttamente alla vite con bulloni. Resistono meglio alle vibrazioni continue rispetto alle viti per lamiera. Evita che il tubo si usuri a causa dell'attrito.

        Caratteristiche del prodotto

        La caratteristica della vite di saldatura con filettatura metrica risiede nell'uso del metodo di fissaggio tramite saldatura. Rispetto al normale collegamento meccanico, la saldatura può far sì che le viti e il materiale di base formino un legame più stretto, quasi integrato. Il design delle filettature metriche può essere comodamente abbinato a dadi o componenti con filettature interne, facilitando l'installazione di altre parti in futuro. Inoltre, la precisione dimensionale delle filettature è conforme agli standard metrici, rendendolo altamente versatile.

        Tag caldi: Vite di saldatura con filettatura metrica, Cina, produttore, fornitore, fabbrica
        Categoria correlata
        Invia richiesta
        Non esitate a dare la vostra richiesta nel modulo sottostante. Ti risponderemo entro 24 ore.
        X
        Utilizziamo i cookie per offrirti una migliore esperienza di navigazione, analizzare il traffico del sito e personalizzare i contenuti. Utilizzando questo sito, accetti il ​​nostro utilizzo dei cookie. politica sulla riservatezza
        Rifiutare Accettare