Tipo a spalla I gradi dei golfari per gli elementi di fissaggio sono definiti da standard di resistenza e materiali, fondamentali per un sollevamento sicuro. I gradi comuni includono 4.8, 8.8, 10.9 e 12.9 per le varianti in acciaio al carbonio: numeri più alti indicano una maggiore resistenza alla trazione. Il grado 4.8 è adatto ad attività leggere come il fai da te domestico, mentre 8.8 è adatto per uso industriale generale. I gradi 10.9 e 12.9 ad alta resistenza gestiscono carichi pesanti nel settore edile o nei macchinari.
Le versioni in acciaio inossidabile spesso seguono i gradi A4 (316) o A2 (304), dando priorità alla resistenza alla corrosione per ambienti marini/chimici. I gradi di acciaio legato forgiato offrono una durata superiore per sollevamenti estremi. Ogni grado è contrassegnato con i coefficienti di carico, garantendo la compatibilità con le applicazioni previste e la conformità alla sicurezza.
Il controllo di qualità per un golfare a spalla significa eseguire controlli approfonditi per assicurarsi che sia sicuro e funzioni correttamente. Questo processo di solito implica assicurarsi che la qualità del materiale sia corretta, controllare le filettature per vedere se sono accurate ed eseguire test di carico per confermare il limite di carico di lavoro (WLL). Controllano anche se le dimensioni corrispondono a standard come DIN o ISO. Ogni lotto di golfari dovrebbe essere tracciabile e riceverai una certificazione per dimostrare che soddisfa i requisiti relativi al modo in cui lo utilizzerai.

Domanda: Come devo installare correttamente un bullone a occhiello con spallamento? Per un bullone standard, avvitarlo fino in fondo in un foro filettato: assicuratevi che la spalla dell'occhio tocchi la superficie. Tirare ad angolo ridurrà completamente il suo carico di lavoro sicuro, e questo è pericoloso.

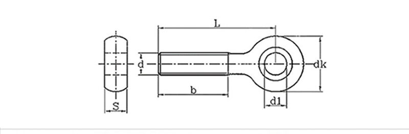
mm
Diametro della filettatura
d1
non so
s
M6
5
10.5
5.4
M8
6
13
7
M10
8
16
8.5
M12
10
19
10.5
M14
10
22
12