Quindi, quando guardi i bulloni a occhiello Lift Assured, scoprirai che sono disponibili in alcuni materiali comuni e scegliere quello giusto dipende solo dal tuo lavoro specifico. Il tipo più comune che vedrai è l'acciaio al carbonio. È la scelta generale per le attività di sollevamento quotidiane che non comportano condizioni speciali. Per aiutare a prevenire la ruggine, questi bulloni in acciaio al carbonio hanno solitamente una zincatura, che conferisce loro quell'aspetto argentato e leggermente lucido.
Poi c'è l'acciaio inossidabile. Ti consigliamo di farlo se lavori in luoghi in cui le cose potrebbero bagnarsi o essere corrosive, come vicino all'oceano o negli impianti chimici. I gradi più comuni sono 304 e 316, con il 316 leggermente più resistente per ambienti davvero difficili. D'altra parte, se stai sollevando carichi molto pesanti, dovrai passare a un golfare in lega di acciaio forgiato. Questo materiale è realizzato appositamente per gestire requisiti di resistenza molto più elevati, quindi è molto più resistente dell'acciaio al carbonio standard.
Quando ottieni i bulloni a occhiello Lift Assured, noterai che spesso hanno finiture diverse. Questo non è solo per l'aspetto; questi trattamenti superficiali servono davvero a far durare più a lungo il bullone e a combattere la ruggine, il che è estremamente importante per la sicurezza e la durata.

Un metodo molto comune che vedrai è la galvanica. Qui è dove mettono un sottile strato di qualcosa come zinco o nichel sull'acciaio. Ti offre una discreta protezione di base contro la corrosione e rende anche il bullone un po' più luminoso. Ma se hai bisogno di qualcosa di più resistente per un ambiente difficile, come all'aperto in un cantiere edile o in un'area marina umida, dovresti cercare un golfare zincato a caldo. Questo processo crea un rivestimento molto più spesso che è molto più robusto e può sopportare molti più abusi nel tempo.
Ci sono anche altre opzioni. Ad esempio, l'ossido nero è un trattamento che lascia il bullone con una finitura scura e antiriflesso. Offre una certa resistenza alla ruggine, ma spesso viene scelto maggiormente per il suo aspetto e per ridurre i riflessi della luce. E per i bulloni in acciaio inossidabile viene spesso utilizzato un processo chiamato passivazione. Potrebbe sembrare complicato, ma fondamentalmente è un bagno chimico che aiuta a pulire e rafforzare lo strato protettivo naturale dell'acciaio inossidabile, aumentandone la capacità di resistere alla ruggine.
Domanda: Il vostro golfare Lift Assured è dotato di una certificazione? Sì, possiamo fornirvi un certificato di prova per il golfare Lift Assured. Dimostra che il golfare soddisfa gli standard come ASME B18.15 e conferma di che materiale è fatto e le sue proprietà meccaniche.
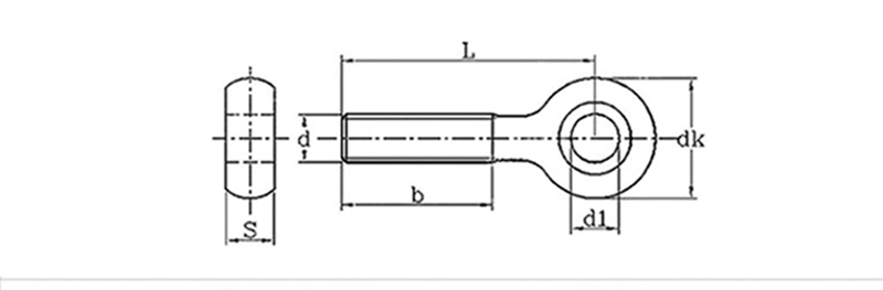
|
mm |
|||
|
Diametro della filettatura |
d1 |
non so |
s |
|
M6 |
5 |
10.5 |
5.4 |
|
M8 |
6 | 13 | 7 |
|
M10 |
8 | 16 | 8.5 |
|
M12 |
10 | 19 | 10.5 |