Casa > Prodotti > Bullone > Bullone a testa tonda > Bullone a occhiello ad alta capacità
        Bullone a occhiello ad alta capacità
        • Bullone a occhiello ad alta capacitàBullone a occhiello ad alta capacità
        • Bullone a occhiello ad alta capacitàBullone a occhiello ad alta capacità

        Bullone a occhiello ad alta capacità

        I golfari ad alta capacità sono realizzati con precisione con materiali ad alta resistenza, dotati di una forte capacità di carico. I golfari ad alto carico di Xiaoguo soddisfano gli standard di sicurezza internazionali e sono adatti per il sollevamento di attrezzature pesanti, installazioni tecniche e altri scenari. Xiaoguo garantisce che ogni prodotto soddisfi rigorosi standard di sicurezza.

        Invia richiesta

        Descrizione del prodotto

        Prima ancora di pensare all'utilizzo del golfare ad alta capacità, guardalo bene. Controlla eventuali danni evidenti, come crepe, piegature o se è tutto usurato. Inoltre, assicurati che tutte le informazioni stampate su di esso, in particolare il limite di carico di lavoro (WLL), siano chiare e facili da leggere. Se non riesci a vederlo correttamente, è meglio saltarlo e prenderne un altro.

        Quando lo inserisci, avvitalo completamente nel foro fino a quando la parte della spalla non sarà completamente piatta e aderente alla superficie. Non usare mai un martello per forzarlo: potrebbe rovinare tutto. Basta usare lo strumento giusto, come una chiave inglese, per fissarlo e fissarlo.

        Per quanto riguarda il modo in cui applichi il carico, mantienilo sempre in linea con l'occhio del bullone. Non tirare mai lateralmente o con un'angolazione strana, perché ciò potrebbe causarne il cedimento. Se stai utilizzando un golfare sulla spalla per sollevamenti che non sono dritti, mantieni l'angolo sotto i 45 gradi e ricorda, dovrai abbassare il WLL per tenere conto dell'angolo. Ciò aiuta a evitare il sovraccarico e mantiene tutto più sicuro mentre lavori.

        Imballaggio del prodotto

        Se acquisti semplicemente un piccolo set di golfari ad alta capacità dal negozio di ferramenta, probabilmente arriveranno in una semplice scatola di cartone. Ma se ordini grandi quantità per un grosso lavoro o per uso industriale, è allora che le cose cambiano. Verranno spesso imballati in modo sicuro in robusti cartoni di carta che verranno poi impilati e legati su pallet di legno. Questa pallettizzazione è piuttosto standard perché rende la spedizione e la movimentazione molto più stabili e sicure per tutti i soggetti coinvolti.

        Un altro modo molto comune in cui li vedrai confezionati è individualmente o in gruppi, prima all'interno di sacchetti di plastica trasparente. Queste borse sono ottime per tenere lontani umidità e polvere. Quindi, i sacchetti vengono collocati all'interno di un cartone di carta esterno più resistente per un ulteriore livello di protezione durante il trasporto. Onestamente, lo scopo principale di tutto questo packaging non è essere fantasioso; è semplicemente pratico. Il suo unico compito è quello di proteggere i golfari da urti, ruggine o danni mentre vengono spediti o rimangono in deposito.

        Sessione di domande e risposte

        Domanda: Qual è la differenza tra un bullone a occhiello ad alta capacità normale e uno con spallamento? Un bullone con spallamento ha una superficie di appoggio più grande sotto l'occhiello, quindi distribuisce meglio il carico. Questo è più forte e dovresti usarlo per sollevamenti angolati, a differenza del tipo normale, che funziona solo con carichi verticali diretti.

        High Capacity Eye Bolt

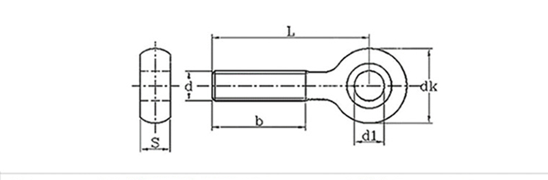
        mm
        Diametro della filettatura
        d1
        non so
        s
        M6
        5 10.5 5.4
        M8

        6

        13 7
        M10
        8 16 8.5
        M12
        10 19 10.5
        M14
        10 22 12


        Tag caldi: Bullone a occhiello ad alta capacità
        Categoria correlata
        Invia richiesta
        Non esitate a dare la vostra richiesta nel modulo sottostante. Ti risponderemo entro 24 ore.
        X
        Utilizziamo i cookie per offrirti una migliore esperienza di navigazione, analizzare il traffico del sito e personalizzare i contenuti. Utilizzando questo sito, accetti il ​​nostro utilizzo dei cookie. politica sulla riservatezza
        Rifiutare Accettare