Casa > Prodotti > Bullone > Bullone a testa tonda > Bullone ad occhiello di ancoraggio sicuro
        Bullone ad occhiello di ancoraggio sicuro
        • Bullone ad occhiello di ancoraggio sicuroBullone ad occhiello di ancoraggio sicuro
        • Bullone ad occhiello di ancoraggio sicuroBullone ad occhiello di ancoraggio sicuro

        Bullone ad occhiello di ancoraggio sicuro

        Tutti i golfari Anchor Secure prodotti da Xiaoguo vengono sottoposti a test rigorosi prima dell'esportazione e l'azienda può fornirli in modo affidabile. I partner si fidano di Xiaoguo e gli acquirenti possono acquistare con fiducia.

        Invia richiesta

        Descrizione del prodotto

        Certificato di controllo qualità

        Pertanto, quando ottieni un certificato di ispezione di qualità per un Anchor Secure Eye Bolt, fondamentalmente si tratta di un documento fornito con il prodotto che dimostra che soddisfa standard specifici come ASTM A489. Questa documentazione di solito fornisce i dettagli su quali materiali sono stati utilizzati, controlla che tutte le dimensioni siano corrette, conferma che ha superato i test di carico e verifica il trattamento superficiale. Il certificato proviene in genere da un laboratorio indipendente accreditato per eseguire questo tipo di test. Ciò che è veramente utile è che ti consente di risalire al lotto di produzione del prodotto, il che ti dà la certezza che il golfare è effettivamente sicuro da usare per le operazioni di sollevamento e funzionerà come dovrebbe quando lo usi sul posto di lavoro.

        Anchor Secure Eye Bolt

        Usi del prodotto

        Quindi, un Anchor Secure Eye Bolt è uno di quei componenti che torna utile in molte situazioni: lo vedrai principalmente utilizzato per sollevare oggetti pesanti, per allestire attrezzature o semplicemente per ancorare le cose in modo sicuro. Il modo in cui è progettato, con quell'occhio circolare a un'estremità, rende davvero semplice collegare diversi tipi di dispositivi di collegamento. Che tu abbia bisogno di far passare un cavo attraverso di esso, legare una corda o attaccare un grillo, quell'occhio ti offre un punto solido con cui lavorare. Ecco perché li troverai sempre utilizzati nei cantieri edili, sui moli e sulle barche e nelle fabbriche, ovunque le persone abbiano bisogno di fissare carichi o spostare attrezzature in sicurezza.

        Sessione di domande e risposte

        Domanda: qual è il carico di lavoro sicuro per il tuo bullone Anchor Secure Eye? Il carico sicuro per un bullone dipende dalle sue dimensioni e dal tipo. Controlla sempre la tabella del carico nominale per quello specifico che stai utilizzando. Non superare mai quella valutazione: mantiene le cose al sicuro quando sollevi cose.

        Anchor Secure Eye Bolt

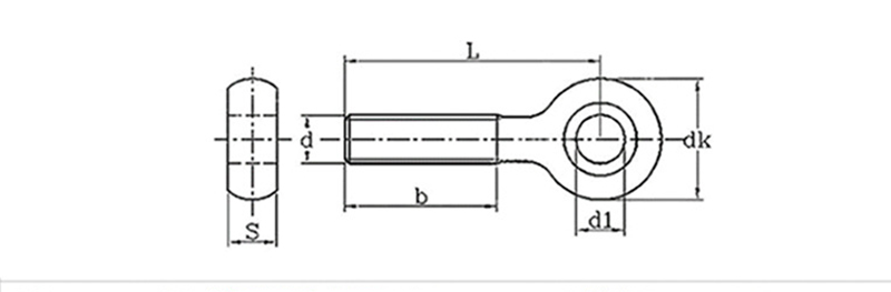
        mm
        Diametro della filettatura
        d1
        non so
        s
        M6
        5 10.5 5.4
        M8
        6 13 7
        M10
        8 16 8.5
        M12
        10 19 10.5
        M14
        10 22 12

        Tag caldi: Bullone ad occhiello di ancoraggio sicuro
        Categoria correlata
        Invia richiesta
        Non esitate a dare la vostra richiesta nel modulo sottostante. Ti risponderemo entro 24 ore.
        X
        Utilizziamo i cookie per offrirti una migliore esperienza di navigazione, analizzare il traffico del sito e personalizzare i contenuti. Utilizzando questo sito, accetti il ​​nostro utilizzo dei cookie. politica sulla riservatezza
        Rifiutare Accettare