Un bullone di saldatura a proiezione a faccia ad alta resistenza è un tipo speciale di fissaggio realizzato per connettersi fortemente e facilmente a fogli o strutture in metallo. Ha proiezioni - di solito anelli o piccoli dossi - sul lato che tocca il metallo, e queste sono fatte su dimensioni precise.
Quando lo saldi, molta corrente elettrica si concentra su queste proiezioni. Ciò rende il metallo che si fa davvero caldo, si scioglie e poi quando si raffredda, forma una saldatura forte. Questa saldatura contiene saldamente il bullone di saldatura a proiezione a faccia ad alta resistenza al pezzo che stai lavorando.
Il lavoro principale di saldatura a proiezione ad alta resistenza è quello di creare un punto di attacco permanente basato su fili in grado di mantenere il peso. Hai bisogno di speciali attrezzature per saldatura a proiezione per saldarlo.
Gli elettrodi premono e inviano molta elettricità attraverso le proiezioni del bullone e il pezzo di metallo con cui stai lavorando. Il modo in cui viene realizzato il bullone di saldatura significa solo le proiezioni si sciolgono, niente di più. Quando si raffreddano, formano un forte legame di metallo e il metallo intorno non si piega o si deformava molto.
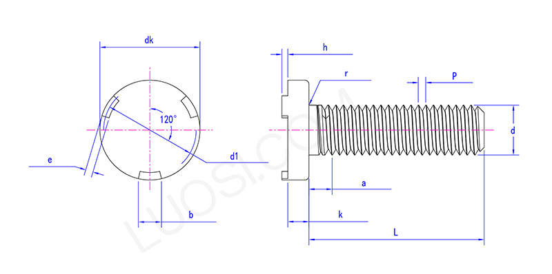
| Lun | M5 | M6 | M8 | M10 |
| P | 0.8 | 1 | 1.25 | 5 |
| DK Max | 12.4 | 14.4 | 16.4 | 20.4 |
| DK min | 11.6 | 13.6 | 15.6 | 19.6 |
| K Max | 2 | 2.2 | 3.2 | 4.2 |
| K min | 1.6 | 1.8 | 3.2 | 4.2 |
| e max | 2.25 | 2.75 | 2.25 | 2.75 |
| E min | 1.75 | 2.25 | 1.75 | 2.25 |
| B Max | 3.3 | 4.3 | 5.3 | 6.3 |
| B min | 2.7 | 3.7 | 4.7 | 5.7 |
| H max | 0.8 | 0.9 | 1.1 | 1.3 |
| H min | 0.6 | 0.75 | 0.9 | 1.1 |
| D1 Max | 10 | 11.5 | 14 | 17.5 |
| D1 min | 9 | 10.5 | 13 | 16.5 |
| R min | 0.2 | 0.25 | 0.4 | 0.4 |
| r Max | 0.6 | 0.7 | 0.9 | 1.2 |
| un max | 3.2 | 4 | 5 | 5 |

Un bullone di saldatura a proiezione a faccia ad alta resistenza ha piccole parti rialzate - di solito anelli o piccole ammaccature - sul lato che viene saldato. Quando lo saldi, molta elettricità si concentra su quelle parti rialzate. Si sciolgono subito contro il metallo di base, mentre l'elettrodo sta premendo verso il basso.
Questo rende saldature forti e strette che tengono bene il bullone. Funzionano perfettamente per i lavori in lamiera.