Casa > Prodotti > Noce > Avvitare A Mano Il Dado > Manopole Rotonde Con Dado Rotolante A Collare
        Manopole Rotonde Con Dado Rotolante A Collare
        • Manopole Rotonde Con Dado Rotolante A CollareManopole Rotonde Con Dado Rotolante A Collare
        • Manopole Rotonde Con Dado Rotolante A CollareManopole Rotonde Con Dado Rotolante A Collare

        Manopole Rotonde Con Dado Rotolante A Collare

        Per un movimento lineare di precisione, scegli le manopole rotonde avanzate di XIAO GUO con dado rotante a collare. Progettato per viti a ricircolo di sfere, garantisce un movimento fluido e ad alta efficienza, rendendoci un fornitore affidabile di manopole rotonde cinesi con dadi rotanti a collare per sistemi CNC e di automazione.

        Invia richiesta

        Descrizione del prodotto

        Innanzitutto, praticare un foro nella lamiera che corrisponda alle dimensioni delle manopole rotonde con dado rotante a collare. Non rendere il buco troppo grande, altrimenti non si chiuderà correttamente. Eliminare eventuali trucioli metallici rimasti nel foro; potrebbero intralciare l'installazione.

        Quindi posiziona il dado nel foro preforato, assicurandoti che aderisca perfettamente al foglio. Utilizzare uno strumento di pressatura standard con una matrice adatta alla parte superiore del dado. Applica una pressione costante e uniforme sullo strumento: sentirai un leggero "clic" quando sarà bloccato in posizione. Mantieni la pressione per 1-2 secondi per assicurarti che sia sicuro.

        Evitare di usare colpi di martello; ciò potrebbe piegare il dado o danneggiare la lamiera. Funziona meglio su lamiere da sottili a medie (0,5-2 mm di spessore). Una volta installato, è possibile avvitare un bullone senza problemi senza che il dado ruoti. Le manopole rotonde con dado rotante a colletto sono facili da usare anche per i principianti, non sono necessarie competenze complicate.

        Imballaggio del prodotto

        Utilizziamo imballaggi semplici e pratici per tenere le noci al sicuro. Per piccoli ordini o campioni, vengono confezionati in sacchetti di plastica trasparente, solitamente da 100 o 200 pezzi per sacchetto. Ogni borsa ha un'etichetta di base con dimensioni, materiale e numero di lotto, così puoi trovare facilmente ciò di cui hai bisogno.

        Gli ordini all'ingrosso vengono spediti in cartoni robusti. A seconda della dimensione della noce, ogni cartone può contenere da 5.000 a 10.000 pezzi. All'interno inseriamo schiuma o pluriball per evitare che si graffino o si muovano durante la spedizione. I cartoni hanno indicazioni chiare per maneggiarli, come "mantenere asciutto" o "non impilare oggetti pesanti".

        Se hai bisogno di un imballaggio personalizzato, ad esempio il tuo logo sulle buste o una quantità specifica per confezione, faccelo sapere al momento dell'ordine. Niente cose extra fantasiose, solo ciò che funziona per lo stoccaggio e la spedizione. È disponibile in queste opzioni standard, che si adattano alla maggior parte delle piccole officine, delle grandi fabbriche o delle esigenze degli utenti fai-da-te.

        Round Knobs With Collar Rolling Nut

        Sessione di domande e risposte

        Quale spessore di lamiera è adatto per le manopole tonde con dado rotante a collare?  

        R: Funziona meglio su lamiere sottili e medie, con uno spessore compreso tra 0,5 mm e 2,5 mm. Il metallo troppo spesso non lo consentirà di bloccarsi correttamente e troppo sottile potrebbe deformarsi durante l'installazione. I materiali comuni come l'acciaio laminato a freddo, l'alluminio e le lamiere di acciaio inossidabile vanno bene. Assicurati solo che la dimensione del foro preforato corrisponda al diametro esterno del dado: possiamo fornire una tabella delle taglie se ne hai bisogno come riferimento.  

        Round Knobs With Collar Rolling Nut

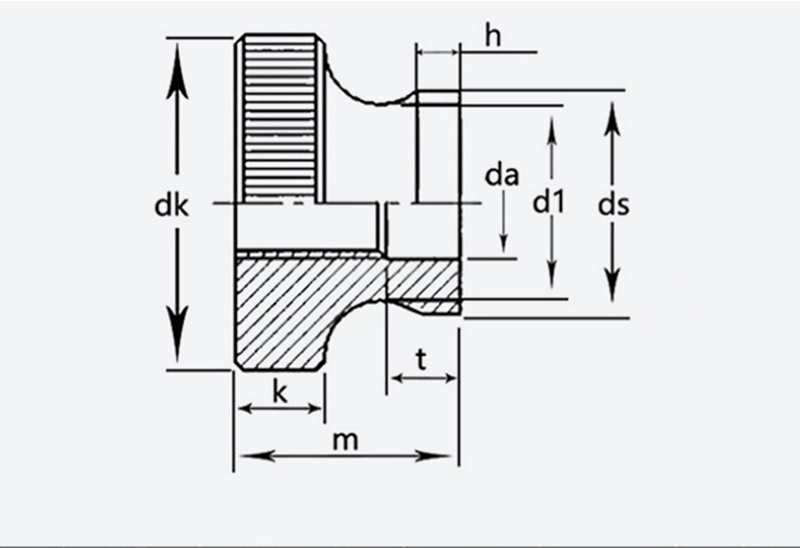
        misurare Pece Diametro esterno Altezza k ds da d1 T h
        massimo min massimo min massimo min massimo min massimo
        M3 0,5  11  10.7  6.64  2.8  5.7  3.5  3.2  5.2  1.2 
        M4 0,7  12  11.7  7.64  7.64  4.5  4.2  6.4  2.5  1.5 
        M5 0,8  16  15.7  10  96,6  10  9.64  5.5  5.5 
        M6 20  19.7  12  11.6  12  11.6  6.56  6.2  11  2.5 
        M8 1.25  24  23.7  16  15.6  16  15.6  8.86  8.5  13 
        M10 1.5 30 29.7 20 19.5 8 20 19.5 10.9 10.5 17.2 6.5 3.8
        Tag caldi: Manopole rotonde con dado rotante a collare, Cina, produttore, fornitore, fabbrica
        Categoria correlata
        Invia richiesta
        Non esitate a dare la vostra richiesta nel modulo sottostante. Ti risponderemo entro 24 ore.
        X
        Utilizziamo i cookie per offrirti una migliore esperienza di navigazione, analizzare il traffico del sito e personalizzare i contenuti. Utilizzando questo sito, accetti il ​​nostro utilizzo dei cookie. politica sulla riservatezza
        Rifiutare Accettare