Casa > Prodotti > Parti avvincenti > Rivet di plastica > Clip per rivetti espandibili
        Clip per rivetti espandibili
        • Clip per rivetti espandibiliClip per rivetti espandibili
        • Clip per rivetti espandibiliClip per rivetti espandibili
        • Clip per rivetti espandibiliClip per rivetti espandibili
        • Clip per rivetti espandibiliClip per rivetti espandibili
        • Clip per rivetti espandibiliClip per rivetti espandibili

        Clip per rivetti espandibili

        Una clip per rivetti espandibile è un elemento di fissaggio in plastica che viene installato inserendo i suoi poli flessibili attraverso un foro e quindi separandoliXiaoguo® è un produttore con oltre dieci anni di esperienza professionale nel settore degli elementi di fissaggio. Siamo in grado di consegnare in tempo indipendentemente dalle dimensioni dell'ordine.
        Modello:QC/T 350-1999

        Invia richiesta

        Descrizione del prodotto

        I materiali più comuni per clip per rivetti ad espansione affidabili sono il nylon 6/6 rinforzato con vetro e il copolimero acetalico (POM). Il nylon 6/6 è più resistente e gestisce meglio il calore. Il POM mantiene bene la forma, non si sfrega molto e resiste all'uso ripetuto senza usurarsi.

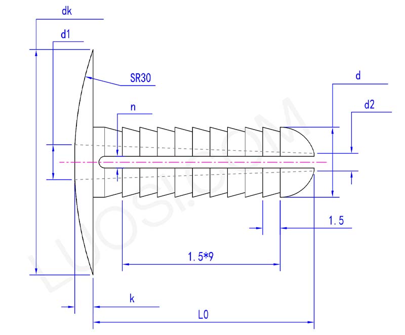
        expanding rivet clip parameter

        Lun
        Φ6 Φ8
        Φ10
        dmassimo
        6 8 10
        dmin
        5.8 7.8 9.8
        non so massimo
        16.2 16.2 18.2
        non so min
        15.8 15.8 17.8
        kmassimo
        1.6 1.6 2.1
        kmin
        1.4 1.4 1.9
        L0
        20 20 22
        d1
        3 4 5
        d2
        1.5 2 3
        n
        1 1 1.5

        Questi tecnopolimeri assicurano che il corpo della coppiglia funzioni bene in condizioni di stress meccanico e condizioni difficili. A differenza delle plastiche più economiche, non si rompono facilmente.

        Manutenzione

        Mantenere le clip per rivetti espandibili è semplice. Realizzati in plastica resistente alla corrosione, non arrugginiscono, eliminando la necessità di agenti o oli antiruggine. Prima dell'uso, ispezionarli per eventuali danni, come crepe, deformazioni, fragilità o sbiancamento dovuto all'esposizione prolungata alla luce solare. La sostituzione è semplice; non sono necessari strumenti speciali. Basta estrarre la vecchia clip dalle gambe e sostituirla con una nuova. Facile da usare. Controllare regolarmente le condizioni della clip del rivetto e sostituirla tempestivamente.

        Il tuo è resistente alla degradazione dei raggi UV per un uso esterno prolungato?

        Le nostre clip per rivetti espandibili standard sono dotate di bloccanti UV integrati direttamente al momento della produzione. Anche se esposte alla luce solare per lungo tempo, non si seccano, non diventano fragili né si rompono facilmente.

        La protezione UV li aiuta a svolgere il loro lavoro, rimanendo forti, flessibili e tenendosi stretti, anche in condizioni esterne difficili. Pensa a trattori, scavatrici, pannelli solari, attrezzi agricoli, ecc. Rispetto alla normale plastica senza di essa, durano più a lungo senza che tu debba preoccuparti di loro.


        Tag caldi: Clip per rivetti espandibili, Cina, produttore, fornitore, fabbrica
        Categoria correlata
        Invia richiesta
        Non esitate a dare la vostra richiesta nel modulo sottostante. Ti risponderemo entro 24 ore.
        X
        Utilizziamo i cookie per offrirti una migliore esperienza di navigazione, analizzare il traffico del sito e personalizzare i contenuti. Utilizzando questo sito, accetti il ​​nostro utilizzo dei cookie. politica sulla riservatezza
        Rifiutare Accettare