|
Lun |
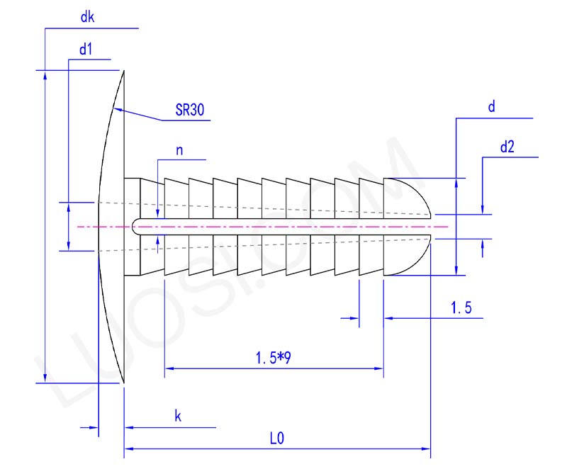
Φ6 |
Φ8 |
Φ10 |
|
dmassimo |
6 | 8 | 10 |
|
dmin |
5.8 | 7.8 | 9.8 |
|
non so massimo |
16.2 | 16.2 | 18.2 |
|
non so min |
15.8 | 15.8 | 17.8 |
|
kmassimo |
1.6 | 1.6 | 2.1 |
|
kmin |
1.4 | 1.4 | 1.9 |
|
L0 |
20 | 20 | 22 |
|
d1 |
3 | 4 | 5 |
|
d2 |
1.5 | 2 | 3 |
|
n |
1 | 1 | 1.5 |
Il fermo della clip per rivetti espandibile è un utile dispositivo di fissaggio in plastica. Funziona come un'opzione più sicura e leggera che resiste alla ruggine, invece delle solite coppiglie metalliche.
È fondamentalmente un pezzo cilindrico con una divisione nel mezzo. Lo fai passare attraverso un foro preforato, quindi pieghi le due gambe per tenere in posizione parti come perni con testa, alberi o collegamenti. Questa versione in plastica elimina problemi come l'usura del metallo, i bordi taglienti e la corrosione galvanica.
I principali vantaggi del fermo della clip per rivetti espandibile riguardano la sicurezza, la leggerezza e la resistenza in ambienti diversi.
A differenza dei perni metallici, non ha il problema delle bave taglienti che potrebbero tagliarti quando lo inserisci o lo estrai. È molto più leggero, il che conta molto per gli usi aerospaziali e automobilistici.
Inoltre, il fermo delle clip per rivetti espandibili resiste naturalmente alla ruggine e alla corrosione. Può essere utilizzato in luoghi umidi, in prossimità di sostanze chimiche o dove l'elettricità è insufficiente e dove gli aghi metallici potrebbero non funzionare correttamente o causare problemi.

Il valore specifico della resistenza al taglio del nostro fermo per clip per rivetti ad espansione varierà a seconda del diametro del perno e del grado specifico del materiale.
È progettato per gestire molte vibrazioni e carichi in movimento, comuni nei macchinari, nelle parti di automobili e nelle catene di montaggio.
Il materiale ha naturalmente una certa flessibilità ed elasticità, che lo aiutano ad assorbire gli urti. Ciò lo rende un sostituto affidabile dei perni metallici in molti ambienti difficili, non si usura facilmente e riduce anche l'usura delle parti che collega.
