Casa > Prodotti > Bullone > Bolt di ancoraggio > Bulloni di ancoraggio a testa quadrata con collo quadrato
        Bulloni di ancoraggio a testa quadrata con collo quadrato
        • Bulloni di ancoraggio a testa quadrata con collo quadratoBulloni di ancoraggio a testa quadrata con collo quadrato
        • Bulloni di ancoraggio a testa quadrata con collo quadratoBulloni di ancoraggio a testa quadrata con collo quadrato
        • Bulloni di ancoraggio a testa quadrata con collo quadratoBulloni di ancoraggio a testa quadrata con collo quadrato

        Bulloni di ancoraggio a testa quadrata con collo quadrato

        I bulloni di ancoraggio a testa quadrata e collo quadrato hanno una testa quadrata con collo quadrato collegato alla testa nella parte inferiore e una struttura filettata all'altra estremità. I ​​bulloni prodotti dalla fabbrica Xiaoguo® sono adatti per piccoli progetti fai-da-te e costruzioni su larga scala e possono essere utilizzati bene con cemento e altri materiali duri.
        Modello:BS 7419-1991

        Invia richiesta

        Descrizione del prodotto

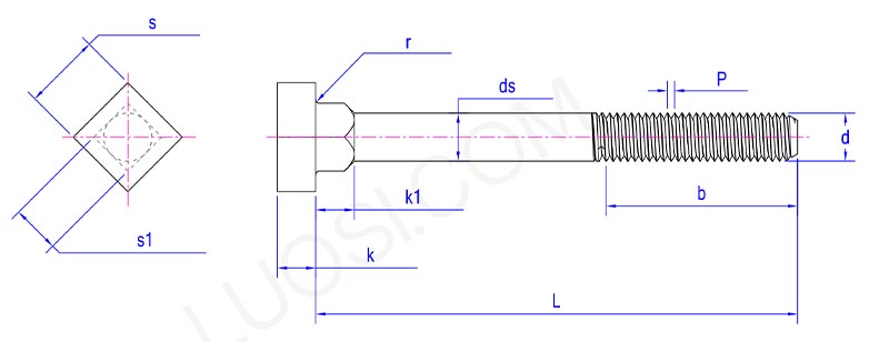
        La testa dei bulloni di ancoraggio con collo quadrato a testa quadrata è quadrata, così come il collo. Il design della testa quadrata offre un'ampia area di contatto per la chiave, garantendo un'applicazione della forza più stabile. È particolarmente pratico in scenari che richiedono una coppia elevata e misure antiscivolo.

        Parametri del prodotto

        square head square neck anchor bolts parameter

        Lun
        M16
        M20
        M24
        M30
        M36
        M42
        M48
        M56
        M64
        P
        2 2.5 3 3.5 4 4.5 5 5.5 6
        bmassimo
        122 127.5 133 140.5 148 155.5 163 172.5 182
        B min
        116 120 124 130 136 142 148 156 164
        ds massimo
        16.7 20.84 24.84 30.84 37 43 49 57.2 65.2
        DS min
        15.3 19.16 23.16 29.16 35 41 47 54.8 62.8
        K min
        9.25 11.6 14.1 17.65 21.45 24.95 28.95 33.75 38.75
        kmassimo
        10.75 13.4 15.9 19.75 23.55 27.05 31.05 36.25 41.25
        R min
        0.6 0.8 0.8 1 1 1.2 1.6 2 2
        è massimo
        24 30 36 46 55 65 75 85 95
        è minimo
        23.16 29.16 35 45 53.8 63.1 73.1 82.8 92.8
        K1 min
        7.25 9.25 11.1 14.1 17.1 19.95 22.95 26.95 30.75
        k1 massimo
        8.75 10.75 12.9 15.9 18.9 22.05 25.05 29.05 33.25
        s1 massimo
        16.7 20.84 24.84 30.84 37 43 49 57.2 65.2
        S1 minuto
        15.3 19.16 23.16 29.16 35 41 47 54.8 62.8

        Caratteristiche del prodotto

        I bulloni di ancoraggio a collo quadrato a testa quadrata si riferiscono ai bulloni fissi incorporati prima che il calcestruzzo si solidifichi. Dopo che il calcestruzzo si è indurito, il collo quadrato si bloccheràbulloniin posizione per evitare che ruotino quando i dadi vengono successivamente serrati. Sono fondazioni che ancorano direttamente oggetti pesanti come colonne, macchine o acciaio strutturale alla fondazione in cemento.

        I bulloni di ancoraggio sono installati saldamente. Quando si stringe il dado, il collo quadrato verrà bloccato saldamente nel materiale installato, come cemento o legno, per evitare che il bullone ruoti insieme al dado. In questo modo, l'oggetto fisso può rimanere saldamente in posizione e non si muoverà o si sposterà facilmente.

        L'installazione di questo bullone di ancoraggio metrico viene eseguita durante il processo di getto del calcestruzzo. Puoi utilizzare dime o supporti per posizionarli, assicurandoti che le estremità filettate siano rivolte verso l'alto. Il passaggio chiave è incorporare la parte del collo quadrato nel cemento bagnato. Man mano che il calcestruzzo si solidifica attorno al collo quadrato, lo afferrerà saldamente. Successivamente, devi solo posizionare l'oggetto sul bullone e quindi serrare il dado sulla filettatura esposta.

        I bulloni di ancoraggio a testa quadrata e collo quadrato sono resistenti agli urti. Poiché i bulloni sono fisicamente bloccati nel calcestruzzo dal materiale indurito che circonda il collo quadrato, è meno probabile che si allentino a causa di vibrazioni o movimento. Ciò consente loro di ancorare in modo affidabile macchinari o strutture vibranti soggetti a carichi dinamici come vento o traffico.


        Tag caldi: Bulloni di ancoraggio a collo quadrato a testa quadrata, Cina, produttore, fornitore, fabbrica
        Categoria correlata
        Invia richiesta
        Non esitate a dare la vostra richiesta nel modulo sottostante. Ti risponderemo entro 24 ore.
        X
        Utilizziamo i cookie per offrirti una migliore esperienza di navigazione, analizzare il traffico del sito e personalizzare i contenuti. Utilizzando questo sito, accetti il ​​nostro utilizzo dei cookie. politica sulla riservatezza
        Rifiutare Accettare