Casa > Prodotti > Dadi di saldatura > Stullo saldato > Perni di saldatura a proiezione a testa piatta rotonda
        Perni di saldatura a proiezione a testa piatta rotonda
        • Perni di saldatura a proiezione a testa piatta rotondaPerni di saldatura a proiezione a testa piatta rotonda
        • Perni di saldatura a proiezione a testa piatta rotondaPerni di saldatura a proiezione a testa piatta rotonda
        • Perni di saldatura a proiezione a testa piatta rotondaPerni di saldatura a proiezione a testa piatta rotonda

        Perni di saldatura a proiezione a testa piatta rotonda

        I perni di saldatura a proiezione a testa piatta rotonda sono progettati per saldare la superficie della plastica. Usano il calore per sciogliere e legare i materiali senza danneggiarli. Il suo design garantisce una vestibilità sicura e previene la rottura della plastica. Xiaomi Factory fornisce elementi di fissaggio di diverse dimensioni e modelli, che possono essere utilizzati in una varietà di scenari.
        Modello:QC/T 891-2011

        Invia richiesta

        Descrizione del prodotto

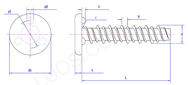
        I perni di saldatura a proiezione a testa piatta rotonda sono composti principalmente da un'asta a vite e da una testa. Il design della testa varia. Alcuni sono relativamente larghi per aumentare l'area di contatto con la plastica durante la saldatura; altri hanno motivi o sporgenze particolari per facilitare una migliore integrazione con la plastica.

        Applicazioni e parametri del prodotto

        Round flat head projection weld studs parameter

        Lun
        NST3 NST3.5
        NST4
        NST5
        NST6
        P
        1.1 1.3 1.4 1.6 1.8
        d1
        6.2 7 8 9.2 10.8
        d0 massimo
        1.1 1.4 1.9 2.1 2.7
        d0 min
        0.9 1.2 1.7 1.9 2.4
        non so massimo
        8.3 9.4 10.9 12.3 14.5
        non so min
        8.1 9.2 10.7 12.1 14.2
        hmassimo
        0.45 0.55 0.7 0.8 1.05
        h min
        0.35 0.45 0.6 0.7 0.95
        kmassimo
        1 1.2 1.3 1.7 2.1
        kmin
        0.6 1 1.1 1.5 1.9
        massimo
        0.4 0.5 0.6 0.7 1.0


        I perni di saldatura a proiezione a testa piatta rotonda vengono utilizzati nell'industria manifatturiera elettronica. Ad esempio, quando si producono involucri di telefoni, involucri di tablet, involucri di cuffie, ecc., i collegamenti di alcuni componenti strutturali interni in plastica richiederanno l'uso di questi tipi di viti. Quando si installano i componenti in plastica come il supporto della batteria e la protezione della scheda madre all'interno del telefono, fissarli nelle posizioni corrispondenti mediante saldatura, quindi installare gli altri componenti.

        Queste viti di saldatura vengono utilizzate nell'industria manifatturiera dei giocattoli. Molti giocattoli sono assemblati con parti in plastica e queste parti possono essere utilizzate per collegarli. Ad esempio, mattoncini in plastica per costruire castelli giocattolo, modellini di automobili in plastica, ecc. Garantiscono la durata dei giocattoli e la sicurezza per l'uso da parte dei bambini.

        I perni a saldare a proiezione vengono utilizzati nell'industria manifatturiera di prodotti per la casa. Molti prodotti in plastica, come scatole di plastica, tavoli e sedie in plastica, ecc., li utilizzeranno. Quando si installano le maniglie, i divisori e gli altri componenti del box portaoggetti, saldare le viti di saldatura sul corpo principale del box portaoggetti, quindi installare i componenti corrispondenti. Ciò garantisce che questi componenti non si allentino facilmente durante l'uso quotidiano frequente, migliorando così la praticità e la durata del contenitore.

        Caratteristica del prodotto

        I perni di saldatura a proiezione a testa piatta rotonda possono ottenere una connessione sicura e conveniente tra i componenti in plastica. Mediante saldatura, è strettamente legato ai componenti in plastica, con un'elevata resistenza di connessione, prevenendo efficacemente l'allentamento dei componenti. L'operazione di saldatura è relativamente semplice. Per chi ha una certa esperienza nella lavorazione della plastica, è facile da padroneggiare e può migliorare l’efficienza produttiva.


        Tag caldi: Perni di saldatura a proiezione a testa piatta rotonda, Cina, produttore, fornitore, fabbrica
        Categoria correlata
        Invia richiesta
        Non esitate a dare la vostra richiesta nel modulo sottostante. Ti risponderemo entro 24 ore.
        X
        Utilizziamo i cookie per offrirti una migliore esperienza di navigazione, analizzare il traffico del sito e personalizzare i contenuti. Utilizzando questo sito, accetti il ​​nostro utilizzo dei cookie. politica sulla riservatezza
        Rifiutare Accettare