I dadi di tenuta in acciaio al carbonio sono un tipo di dispositivo di fissaggio utilizzato per collegare piastre sottili o metalli di fogli. Sono realizzati in acciaio al carbonio, temperati e spento per aumentare la durezza e la superficie viene zincata o altrimenti resa resistente alla corrosione.
Il dado di clinch di sigillatura è piuttosto semplice, è possibile utilizzare strumenti pneumatici o idraulici standard. Ecco come funziona: prima, metti il dado in un foro pre-picchetto, quindi usa un pugno e un dado per applicare la pressione. Il dado preme la lamiera intorno al collare clinch del dado, formando un solido blocco meccanico in un passo rapido.
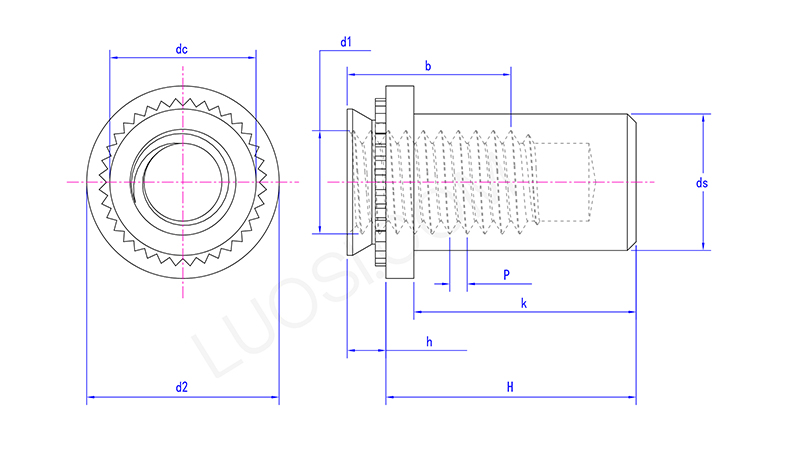
| Lun | M3-1 | M3-2 | M4-1 | M4-2 | M5-1 | M5-2 | M6-1 | M6-2 |
| P | 0.5 | 0.5 | 0.7 | 0.7 | 0.8 | 0.8 | 1 | 1 |
| ds max | 3.84 | 3.84 | 5.2 | 5.2 | 6.35 | 6.35 | 8.75 | 8.75 |
| DC Max | 4.2 | 4.2 | 5.38 | 5.38 | 6.33 | 6.33 | 8.73 | 8.73 |
| B min | 5.3 | 5.3 | 7.1 | 7.1 | 7.1 | 7.1 | 7.8 | 7.8 |
| H max | 0.91 | 1.38 | 0.97 | 1.38 | 0.97 | 1.38 | 1.38 | 1.38 |
| H max | 9.85 | 9.85 | 11.45 | 11.45 | 11.45 | 11.45 | 14.55 | 14.55 |
| H min | 9.35 | 9.35 | 10.95 | 10.95 | 10.95 | 10.95 | 14.05 | 14.05 |
| K Max | 8.5 | 8.5 | 9.8 | 9.8 | 9.8 | 9.8 | 12.7 | 12.7 |
| d2 max | 6.6 | 6.6 | 8.2 | 8.2 | 9 | 9 | 11.35 | 11.35 |
| D2 min | 6.1 | 6.1 | 7.7 | 7.7 | 8.5 | 8.5 | 10.85 | 10.85 |
| D1 | M3 | M3 | M4 | M4 | M5 | M5 | M6 | M6 |
I dadi di clinch di sigillatura in acciaio al carbonio sono definiti da misurazioni chiave: dimensione del filo (come M4, M5, M6 o 1/4 "-20), diametro del colletto clinch, altezza totale, dimensioni della rondella di tenuta e gamma di spessore del foglio con cui lavorano (sia Min e Max). Puoi ottenerli in fili metrici o imperiali standard.
La loro forza di clinch (quanto bene resistono ad essere spinte o distorte) viene testata contro gli standard del settore (pensa che ISO, Din, IFI). Scegliere le dimensioni giuste è un grosso problema, si assicura che il sigillo regge e il dado è abbastanza forte per il lavoro.
Per installare il dado di clinching della tenuta in acciaio al carbonio, è necessario uno strumento di clinching specializzato e un set di dado che corrisponde esattamente alle dimensioni del dado. Innanzitutto, metti il dado in un foro preimpuntato nella lamiera. Quindi lo strumento applica una pressione controllata, che rende il pilota del dado e il lavandino del metallo circostante. Questo processo di formazione fredda blocca il dado in acciaio inossidabile in posizione per sempre e allo stesso tempo, schiaccia la rondella di tenuta incorporata contro il pannello. È così che crea il sigillo a prova di perdita che rende unici questi dadi.
